烟台明德亨电子科技有限公司经营范围包括新型石英晶体、传感器、电子元器件的研发、生产。
中文
English
首页
关于我们
产品中心
晶体谐振器
晶体振荡器
技术中心
技术支持
技术词典
新闻资讯
公司新闻
行业动态
产品中心
晶体振荡器
晶体谐振器
产品中心
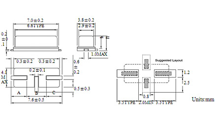
M49S-SMD3PADS
在线咨询
0535-6372640
产品详情
更多产品
SMD7050
SMD6035
SMD5032
SMD3225-Japan
返回
在线客服
在线客服
热线电话
0535-6372640
0830-8559880
QQ客服
全国咨询热线:
0535-6372640