烟台明德亨电子科技有限公司经营范围包括新型石英晶体、传感器、电子元器件的研发、生产。
中文
English
首页
关于我们
产品中心
技术中心
新闻资讯
石英晶体谐振器 DIP系列
Khz 晶体
压控晶体振荡器
展频晶振
差分晶体振荡器
汽车级谐振器&振荡器
温度补偿型晶体振荡器
石英晶体振荡器
石英晶体谐振器 DIP系列
石英晶体谐振器 SMD系列
石英晶体谐振器 DIP系列
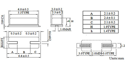
M49S-SMD3X6
在线咨询
0535-6372640
产品详情
更多产品
M49S-SMD3PADS
M49SSL-SMD
M49S-SL
M49S3X6
返回
在线客服
在线客服
热线电话
0535-6372640
0830-8559880
QQ客服
全国咨询热线:
0535-6372640